Μοντέλο μηχανής χύτευσης για μορφοποίηση μετάλλων

Κύριοι χαρακτήρες της μηχανής χύτευσης J118A 90ton για μορφοποίηση μετάλλων
Η δύναμη κλειδώματος της μήτρας είναι 900 kn
Η μηχανή χύτευσης ψυχρού θαλάμου θα είναι κατάλληλη για αλουμίνιο, ψευδάργυρο και ορείχαλκο και κράμα μπρούντζου
Εσωτερικός χώρος μεταξύ των ράβδων (H×V) :360x360 mm
Δοσολογία ρευστού μετάλλου ανά βολή (μέγ.) (AL) :0,6 kg
Επιφάνεια προβολής χύτευσης (ελάχ.~μέγιστο) :101 cm2
Προδιαγραφή της μηχανής χύτευσης ψυχρού θαλάμου J118A 90 τόνων

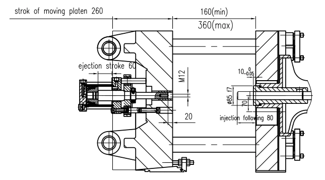
Τοποθέτηση καλουπιού μηχανής χύτευσης αλουμινίου και ορείχαλκου 90 τόνων για μορφοποίηση μετάλλων


Ο συνακόλουθος εξοπλισμός της μηχανής χύτευσης ψυχρού θαλάμου 90 τόνων
Ο κλίβανος είναι χωρισμένος από το μηχάνημα για τη μηχανή χύτευσης ψυχρού θαλάμου. Γενικά, έχει 3 είδη κλιβάνων για επιλογή: φούρνο αερίου, ηλεκτρικό φούρνο και φούρνο ντίζελ.
Συχνές ερωτήσεις για το μηχάνημα έγχυσης αλουμινίου J118A 90ton
1.Q: Συνολική κατανάλωση ενέργειας (για μηχανή χύτευσης κρύου θαλάμου J118A 80T)
Α: Η ισχύς του κινητήρα της μηχανής είναι 11 kw συν την ισχύ του ηλεκτρικού κλιβάνου 30 kw, επομένως η συνολική κατανάλωση ενέργειας είναι περίπου 50 kw.
2. Ε: Τι γίνεται αν ο κλίβανος είναι αέριο; (για μηχανή χύτευσης κρύου θαλάμου J118A 80T)
Α: Η ισχύς του κινητήρα του μηχανήματος είναι 11 kw συν την ισχύ του κλιβάνου αερίου 0.5-1kw , επομένως η συνολική κατανάλωση ισχύος είναι εντός 15 kw.
ο φούρνος αερίου χρησιμοποιεί αέριο για να λιώσει τα υλικά και θα εξοικονομήσει ενέργεια περισσότερο.
3.Q: Μέγεθος δοχείου τήξης; (για μηχανή χύτευσης κρύου θαλάμου J118A 80T)
Α: Παρακαλούμε σημειώστε ότι η χωρητικότητα του κλιβάνου είναι 100 kg, η εξωτερική διάμετρος είναι 1200 mm, το ύψος είναι 850 mm
Δημοφιλείς Ετικέτες: μηχανή χύτευσης για μορφοποίηση μετάλλων, Κίνα, κατασκευαστές, προμηθευτές, εργοστάσιο, προσαρμοσμένη, χονδρική, χαμηλή τιμή











